气动(电动)双偏心半球阀的性能、结构特点及应用
随着工业不断发展,对球阀尤其高温、高压恶劣工况球阀的需求量越来越大,要求球阀具有耐磨、耐冲刷、耐高温、耐腐蚀等性能更高。而传统的全通径球阀虽然球心、阀座经过堆焊、喷涂等技术进行表面硬化处理,但是其使用寿命、成本和性能等依然满足不了使用要求,如工业硅、煤化工、高炉煤气、燃气等苛刻工况。气动(电动)双偏心半球阀是吸取了不同结构的球阀、V形阀和轨道球阀等的优点开发出的新产品。气动(电动)双偏心半球阀采用双偏心密封结构,磨损小,力矩小,密封性能好,使用寿命长。阀座和半球体采用特殊硬化工艺处理,特别适应苛刻工况下耐磨损,耐冲刷,耐腐蚀,耐高温的要求。
2、气动(电动)双偏心半球阀结构特点
2.1、气动(电动)双偏心半球阀半球体
气动(电动)双偏心半球阀(图1)的半球体采用双偏心设计,密封效果可靠,瞬间脱开,力矩小,使用寿命长。可应用在输送颗粒类介质的苛刻工况中。其结构原理是半球体(图2)中线与阀杆中线偏置尺寸a,与阀座中线偏置尺寸b,全开时球体与阀座完全脱开,并有一定的间隙,回转半径分为长半径和短半径,在长半径转动轨迹的切线会与阀座密封面形成一个θ角,在阀门启闭时,半球相对阀座面有一个渐出脱离(如图在开度10°时,芯已经完全脱离)和渐入挤压的作用,从而降低了启闭时阀座与半球之间的机械磨损和擦伤,提高了使用寿命。
图1双偏心半球阀图
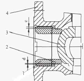
2密封副
1.底盖2.护圈3.阀座4.半球体5.阀体6.填料7.支架8.轴1.阀座2.半球体
2.2、气动(电动)双偏心半球阀阀座
(1)阀座(图3)采用浮动设计,降低加工难度,保证阀座中心线与半球体球面中心点重合,从而提高密封性能。阀座与阀体有间隙d,装配时利用半球体定位可自动找正中线,保证阀座密封面与半球体球面全接触,解决了因加工精度误差造成的泄漏,提高了球阀的使用性能及寿命。
图3阀座
1.护圈2.阀座3.半球体4.阀体
(2)阀座与阀体间的密封采用硬密封结构,适合高温、高压工况。阀座与阀体密封接触面尺寸c值小,各自密封面精度要求高,在装配时,护圈用电动冲击扳手安装,不仅是护圈与阀体啮合,防止松动,而且是阀座摩擦转动,符合机械振动啮合原理,使阀座与阀体可靠密封。
(3)阀座与阀体及阀座与半球体采用两点硬密封,因此该阀可以应用在高温、高压工况。
2.3、气动(电动)双偏心半球阀其他零部件
阀门整体采用模块化设计,结构简单,可靠性好,通用性较高。阀杆采用防喷出结构。驱动方式多样化,阀杆、支架与执行机构的连接尺寸符合ISO5211标准,可直接与各种规范执行机构组配。常用的驱动方式有手动、气动、液动、气液联动和电动等,从而提高了气动(电动)双偏心半球阀运用性能。
3、气动(电动)双偏心半球阀使用范围
双偏心半球阀适合各类通用行业的要求用阀,如水、污水、废水、蒸汽、气、纸浆等介质。如果密封副采用Cr-Mn-Si硬质合金,并有耐火、防爆和防静电功能,则适合中高温介质要求,如煤气、焦炉煤气、水煤气和天然气等场合。如果密封副(半球体、阀座)和阀体流道经过碳化钨特殊工艺处理,则具有高效节能,耐磨性好,密封性能可靠,操作轻便,启闭迅速,使用寿命长等优点,是工业硅行业管道上用阀的理想选择。因其半球体与阀座瞬间脱离及瞬间压紧特性,适合介质中含有颗粒的苛刻工况,可广泛应用于冶金、选矿、电力等生产工艺中高炉煤粉喷吹、制粉系统以及除尘系统中的各种管线控制。在瞬间脱离及瞬间压紧过程中,半球体与阀座有挤切作用能除去密封面上的结垢与粘连物,能保证密封严紧可靠。是输送易沉淀结垢、结晶析出的溶液矿浆、料浆灰渣等工艺流程中两相混流体介质用阀的理想选择。
4、气动(电动)双偏心半球阀结语
目前,气动(电动)双偏心半球阀的多种规格产品已应用在不同行业的各种项目上,效果良好,并逐步在扩大使用范围。