一、气动两段式切断球阀概述:

气动两段式切断球阀可以在打开或关闭过程中停顿一次,能够根据系统要求精确控制流量,尤其适用于化工或油品装车系统中,例如阀门一次全部打开,开始装车,当流量接近设定值时,阀门关闭到小流量状态,当达到设定值时阀门全部关闭。小流量可以在0~45%之间现场设定,比如5%,8%,10%,15%等,最终达到精确控制。
气动两段式切断球阀的组成:
气动两段式切断球阀由气动单作用或双作用执行机构和阀体、隔爆型限位开关、隔爆电磁阀选用美国ASCO公司。二段式气动法兰球阀,阀体:碳钢WCB;密封:PTFE,国标法兰连接:PN16(ANSI150LB),配气动执行器,ASCO防爆电磁阀;电压:24VDC;防爆等级:ExdIIBT4;接口:1/2"NPT。隔爆型限位开关,2XSPDT防爆等级:ExdIICT6IP67;环境温度:-20℃至+70℃,技术参数完全满足客户需求。
二、气动两段式切断球阀在化工与油品装车系统中的优点:
气动两段式装车球阀能尽可能地消除控制阀的突然开关而产生的“水击”现象,适应各种工艺,包括流速不稳定的单支和多支管路,较好地解决过冲问题,重复性误差小。
三、气动两段式切断球阀在化工与油品装车系统中的应用:
在装车过程中,由于控制阀的突然开关,容易造成管道中的压力在一瞬间会突然升高,产生很高的压力峰值,这种现象称为“水击”或“水锤”现象。“水击”产生的压力峰值往往比正常工作压力高好几倍,且常伴有巨大的振动和噪声,使液压系统产生温升,有时会使一些液压元件或管件损坏,并使某些液压元件(控制阀、流量计等)产生误动作,导致设备损坏。因此,在本系统设计主要目标之一,就是尽可能的消除控制阀的突然开关而产生的“水击”现象。除此之外还要求控制阀能达到以下要求:
·防止喷溅式进液
·低电压,低功耗,控制较简单
·启闭工作可靠、无泄漏,便于维护
·能较好地解决过冲问题,重复性误差小
·能适应各种工艺,包括流速不稳定的单支和多支管路
·为了保证系统的可靠性,提高装车精度,我们选择了气动两段式切断阀
四、气动两段式切断球阀工作原理:
两段式气动执行器是一种特殊规格的气动执行机构,提供了0°、45°、90°或者0°、90°、180°的三位式操作方式,中间位置是依靠两个辅助活塞的移动产生的机械制动来实现的,中间位置是可调的,如90°行程的执行器能提供5°~85°任意中间位置可调。其工作原理如下:

气动两段式单作用执行器工作原理
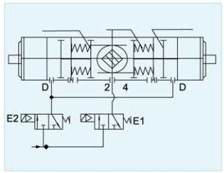
两段式气动执行器由标准气动执行器和另外两个附加的外部气缸组成,通过改变附加气缸的活塞行程,执行器和阀门转角被停止在预先设定的角度(5°至85°)。因此,阀门流量得以调节。这种装置由两个电磁阀控制。如图:E1=二位三通电磁阀(FC),控制执行器;E2=二位三通电磁阀(FO),用于控制两个外部气缸。
控制原理及时序如下所示:

气动切断球阀(www.zdskqw.cn)